闭式液压系统介绍及使用)
Zhang Xin(张新)
DCCN-SVH/Pk
Dec.13th.2010

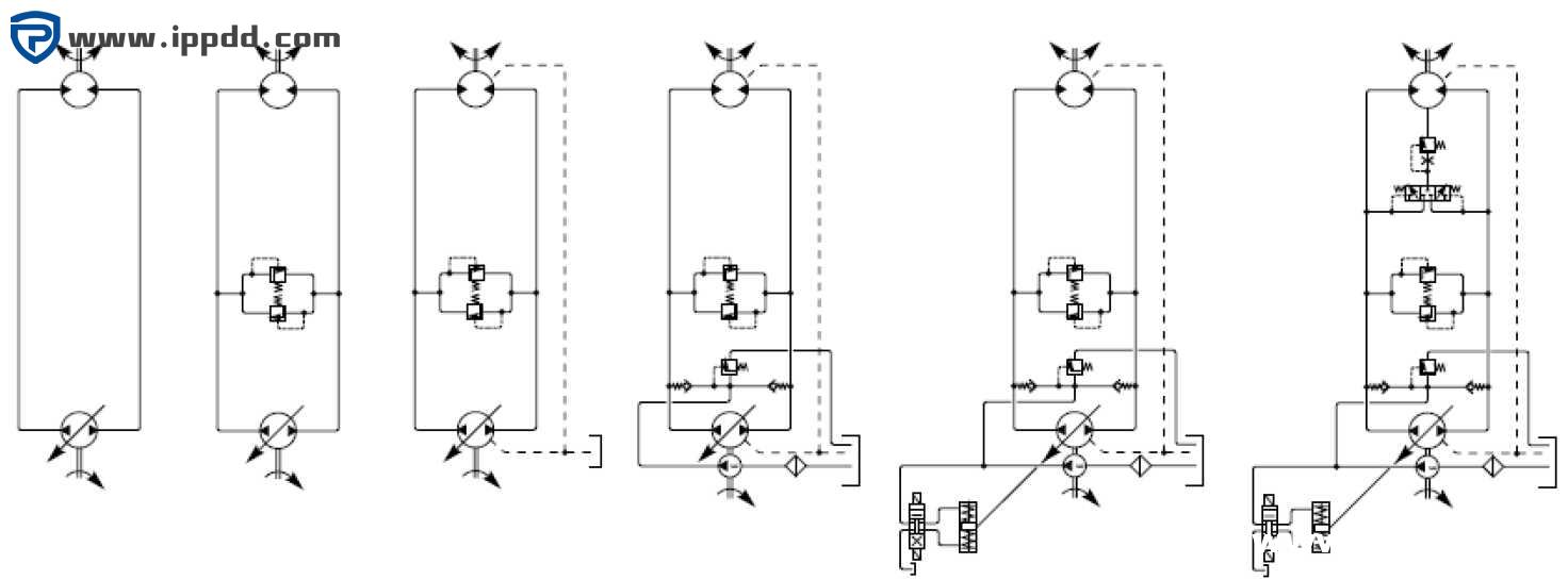
闭式液压系统构成
A4VG180EP泵介绍
A6VM160EP马达介绍
管路安装
系统清洁度保证
A4VG180EP泵常见故障的诊断及排除
A6VM160EP马达常见故障的诊断及排除
问题讨论
©All rights reserved by Bosch Rexroth AG, even and especially in cases of proprietary rights applications. 2
We also retain sole power of disposal, including all rights relating to copying, transmission and dissemination.
DCCN/SVH-001-PR-F15
Edition: 1 2009-12-10






DCCN/SVH-001-PR-F15
Edition: 1 2009-12-10

©All rights reserved by Bosch Rexroth AG, even and especially in cases o
We also retain sole power of disposal, including all rights relating to copyin
6

闭式液压系统介绍 DCCN/SVH-001-PR-F15
Edition: 1 2009-12-10

©All rights reserved by Bosch Rexroth AG, even and especially in cases of proprietary rights applications. We also retain sole power of disposal, including all rights relating to copying, transmission and dissemination.
7
DCCN/SVH-001-PR-F15
Edition: 1 2009-12-10

增
加
冲
洗
阀
©All rights reserved by Bosch Rexroth AG, even and especially in cases of proprietary rights applications. We also retain sole power of disposal, including all rights relating to copying, transmission and dissemination.
8
DCCN/SVH-001-PR-F15
Edition: 1 2009-12-10

©All rights reserved by Bosch Rexroth AG, even and especially in cases of proprietary rights applications. We also retain sole power of disposal, including all rights relating to copying, transmission and dissemination.
9
闭式液压系统介绍 DCCN/SVH-001-PR-F15
Edition: 1 2009-12-10
方向控制阀:规格小 => 仅进行先导控制;(开式系统中的规格大)
过滤器和散热器:规格小=> 只需与补油泵的流量匹配;
液压油箱:小尺寸=> 只需与补油泵流量匹配;
运转速度:补油泵限制=> 补油泵的结构及连轴套上的平键
安装位置:任意位置
驱动:可逆的=> 泵马达工况可逆,可实现静压制动

©All rights reserved by Bosch Rexroth AG, even and especially in cases of proprietary rights applications. 10
We also retain sole power of disposal, including all rights relating to copying, transmission and dissemination.
DCCN/SVH-001-PR-F15
Edition: 1 2009-12-10

容积泵一种
密封容腔
容腔体积可变

©All rights reserved by Bosch Rexroth AG, even and especially in cases of proprietary rights applications. We also retain sole power of disposal, including all rights relating to copying, transmission and dissemination.
11
DCCN/SVH-001-PR-F15
Edition: 1 2009-12-10
12
©All rights reserved by Bosch Rexroth AG, even and especially in cases of proprietary rights applications. We also retain sole power of disposal, including all rights relating to copying, transmission and dissemination.

DCCN/SVH-001-PR-F15
Edition: 1 2009-12-10
1
泵 2 EP控制 3 压力切断
阀
过滤
器带
冷启
动阀
及指
示器
4 变量活 塞
5 高压溢流
阀(带补油
阀)
6 低压溢
流阀/补
油阀
2
3
4
Ps
6
X1,X2
MA,MB
R
T
G
©All rights reserved by Bosch Rexroth AG, even and especially in cases of proprietary rights applications. We also retain sole power of disposal, including all rights relating to copying, transmission and dissemination.
13

DCCN/SVH-001-PR-F15
Edition: 1 2009-12-10
轴端无应力安装 => 安装时不可以敲击 轴端,放置时不可以轴端着地;
检查泵的旋向:与电机(发动机)一致
保证油液清洁度
清洁度等级:至少ISO4406
20/18/15
油液温度较高时(90度~115度):
至少ISO4406 19/17/14 保证同轴度 => 联轴器安装时,要根据 生产厂家的要求保证同轴度;
吸油压力:不能低于0.8bar(绝对压 力),表测压力不低于-0.2bar;
壳体压力:不能高于3bar(绝对压 力),表测压力不高于2bar
©All rights reserved by Bosch Rexroth AG, even and especially in cases of proprietary rights applications. We also retain sole power of disposal, including all rights relating to copying, transmission and dissemination.
14

DCCN/SVH-001-PR-F15
Edition: 1 2009-12-10
壳体加油,排气:向壳体内加满干净的
液压油,从高处的油口排气(第一次试车、
长时间不用或更换油管后,启机前)
泄油管连接:
接在泵壳体上方的T口,直接回油箱;
接头要符合欧洲标准的超轻型系列
油管选用单层钢丝的低压油管
吸油过滤:尽可能不要采用吸油过滤;
如果要用吸油过滤,过滤器精度要大于
100U,通流量大于补油泵流量的2.5倍;
有关清洁度的保证措施,后面专门论述


©All rights reserved by Bosch Rexroth AG, even and especially in cases of proprietary rights applications.
We also retain sole power of disposal, including all rights relating to copying, transmission and dissemination.
15
DCCN/SVH-001-PR-F15
Edition: 1 2009-12-10


©All rights reserved by Bosch Rexroth AG, even and especially in cases of proprietary rights applications. 16
We also retain sole power of disposal, including all rights relating to copying, transmission and dissemination.
DCCN/SVH-001-PR-F15
Edition: 1 2009-12-10

©All rights reserved by Bosch Rexroth AG, even and especially in cases of proprietary rights applications. We also retain sole power of disposal, including all rights relating to copying, transmission and dissemination.
17
DCCN/SVH-001-PR-F15
Edition: 1 2009 12 10



©All rights reserved by Bosch Rexroth AG, even and especially in cases of proprietary rights applications. We also retain sole power of disposal, including all rights relating to copying, transmission and dissemination.
18

DCCN/SVH-001-PR-F15
Edition: 1 2009 12 10
A6VM160EP马达使用要求
轴端无应力安装 => 安装时不可以敲击 轴端,放置时不可以轴端着地;防止顶轴 保证油液清洁度
清洁度等级:至少ISO4406 20/18/15
油液温度较高时(90度~115度):
至少ISO4406 19/17/14 保证同轴度 => 联轴器安装时,要根据 生产厂家的要求保证同轴度; 壳体压力:不能高于3bar(绝对压 力),表测压力不高于2bar

©All rights reserved by Bosch Rexroth AG, even and especially in cases of proprietary rights applications. We also retain sole power of disposal, including all rights relating to copying, transmission and dissemination.
19
DCCN/SVH-001-PR-F15
Edition: 1 2009-12-10
壳体加油:试车时壳体内要加满干净的
液压油,将马达壳体内气排净
泄油管:要求同前面泵的要求

©All rights reserved by Bosch Rexroth AG, even and especially in cases of proprietary rights applications.
We also retain sole power of disposal, including all rights relating to copying, transmission and dissemination.
20

DCCN/SVH-001-PR-F15
Edition: 1 2009-12-10
旁通阀
2bar
R壳体压力测量口
G补油压力测量口
B侧高压测量
泵上各油口尺寸
X1X2 变量活塞控
制油测量口
B测高压溢流阀
机械零位调整杆
低压溢流阀
A测高压溢流阀
©All rights reserved by Bosch Rexroth AG, even and especially in cases of proprietary rights applications. We also retain sole power of disposal, including all rights relating to copying, transmission and dissemination.
各测量口用压力表量程

21

DCCN/SVH-001-PR-F15
Edition: 1 2009-12-10
在储存、运输的过程中,油管开口要用干净的塑料堵等密封保护;
最好使用没有经过涂敷的无氧化皮的;
锯完后,应仔细去除毛刺;
冷态折弯
尽可能避免焊接接头。若无法避免,在焊接时要考虑焊杂的易处理;
不要使用棉纱和废布清理管路,最好使用稠缎;
对于液压油箱,一定要认真处理掉焊渣,并用面沾干净油箱的内部
©All rights reserved by Bosch Rexroth AG, even and especially in cases of proprietary rights applications. 22
We also retain sole power of disposal, including all rights relating to copying, transmission and dissemination.
DCCN/SVH-001-PR-F15
Edition: 1 2009-12-10
任何时候,吸油和泄油管都要在液面
下至少2.5倍的管子直径;但不能小于
100mm;(防止起泡)
泄油管(或回油管)要高于吸油管,
并注意:回油不可以直接被吸走
吸油管,回油管和泄油管的油口间的
距离要大于200mm;

Emin ≥ 2.5倍管径(100mm)
Amin ≥ 200mm
Bmin ≥ 200mm
©All rights reserved by Bosch Rexroth AG, even and especially in cases of proprietary rights applications.
We also retain sole power of disposal, including all rights relating to copying, transmission and dissemination.
23
DCCN/SVH-001-PR-F15
Edition: 1 2009-12-10
吸油区的油液不可 紊流区 以急速流动

©All rights reserved by Bosch Rexroth AG, even and especially in cases of proprietary rights applications. 24
We also retain sole power of disposal, including all rights relating to copying, transmission and dissemination.
DCCN/SVH-001-PR-F15
Edition: 1 2009-12-10
吸油區內油液不可急
速流動
calm oil in suction
chamber
Allg. 090.10 VST1/VST6 09.AA
©All rights reserved by Bosch Rexroth AG, even and especially in cases of proprietary rights applications. We also retain sole power of disposal, including all rights relating to copying, transmission and dissemination.
P suction
最少有2.5倍油管直徑
的距離
at least 2.5 pipe i.d.
minimal distance
紊流區
turbulent zone
必須安裝隔板
baffle absolutely
necessary

DCCN/SVH-001-PR-F15
Edition: 1 2009-12-10

液位
oil level
液位變化 swinging level
注意!
回油管必須經常低於最底
液位
ATTENTION!
Return line must always
end under the minimum
oil level

©All rights reserved by Bosch Rexroth AG, even and especially in cases of proprietary rights applications. We also retain sole power of disposal, including all rights relating to copying, transmission and dissemination.
26
DCCN/SVH-001-PR-F15
Edition: 1 2009-12-10

Allg. 090.6 VST1/VST6 06.AA
©All rights reserved by Bosch Rexroth AG, even and especially in cases of proprietary rights applications. 27
We also retain sole power of disposal, including all rights relating to copying, transmission and dissemination.
DCCN/SVH-001-PR-F15
Edition: 1 2009-12-10
使用兩個喉碼時必須 分開安裝
When using two hose clamps, mounting needs to be offset
氣谷
longitudinal airgap
安裝一對喉碼須以
90°分隔開
Hose clamps have
to be assembled
with a set of 90°
©All rights reserved by Bosch Rexroth AG, even and especially in cases of proprietary rights applications. We also retain sole power of disposal, including all rights relating to copying, transmission and dissemination.
28

DCCN/SVH-001-PR-F15
Edition: 1 2009 12 10
无应力安装
折弯半
径3倍
于管径
©All rights reserved by Bosch Rexroth AG, even and especially in cases of proprietary rights applications.
We also retain sole power of disposal, including all rights relating to copying, transmission and dissemination.

DCCN/SVH-001-PR-F15
Edition: 1 2009-12-10

元件损坏
系统性能下降/
动作失灵
©All rights reserved by Bosch Rexroth AG, even and especially in cases of proprietary rights applications.
We also retain sole power of disposal, including all rights relating to copying, transmission and dissemination.
30

DCCN/SVH-001-PR-F15
Edition: 1 2009 12 10
液压系统污染的来源
外部污染
装配时造成污染
启动系统时造成的污染
内部污染
磨损
新的油液
维修造成的污染
©All rights reserved by Bosch Rexroth AG, even and especially in cases of proprietary rights applications.
We also retain sole power of disposal, including all rights relating to copying, transmission and dissemination.

DCCN/SVH-001-PR-F15
Edition: 1 2009-12-10

©All rights reserved by Bosch Rexroth AG, even and especially in cases of proprietary rights applications. We also retain sole power of disposal, including all rights relating to copying, transmission and dissemination.
32
DCCN/SVH-001-PR-F15
Edition: 1 2009-12-10



©All rights reserved by Bosch Rexroth AG, even and especially in cases of proprietary rights applications. We also retain sole power of disposal, including all rights relating to copying, transmission and dissemination.
33
DCCN/SVH-001-PR-F15
Edition: 1 2009-12-10


©All rights reserved by Bosch Rexroth AG, even and especially in cases of proprietary rights applications. We also retain sole power of disposal, including all rights relating to copying, transmission and dissemination.
34
DCCN/SVH-001-PR-F15
Edition: 1 2009-12-10
不同清洁度液压油比较
油桶里新的液压油
ISO4406 22/20/18 级
(NAS12级)

新安装系统内的污染
ISO4406 23/22/20
(大于NAS12级)

©All rights reserved by Bosch Rexroth AG, even and especially in cases of proprietar
We also retain sole power of disposal, including all rights relating to copying, transmis
DCCN/SVH-001-PR-F15
Edition: 1 2009-12-10
经常规过滤器过滤的液压油
ISO4406 20/18/16
(NAS 9级)
柱塞泵和
马达的最
低要求
经过3〉200的精过滤器
过滤的油液
ISO4406 14/13/11
(NAS4级)


©All rights reserved by Bosch Rexroth AG, even and especially in cases of proprietar We also retain sole power of disposal, including all rights relating to copying, transmis
DCCN/SVH-001-PR-F15
Edition: 1 2009-12-10
过滤精度
压差特性
纳污能力
©All rights reserved by Bosch Rexroth AG, even and especially in cases of proprietary rights applications.
We also retain sole power of disposal, including all rights relating to copying, transmission and dissemination.

DCCN/SVH-001-PR-F15
Edition: 1 2009-12-10
反应的是过滤器对不同直径颗粒的过滤能力
为检验其性能,人为规定的指标;是在特定的条件下通过试验 测得的;
这一指标越高,其过滤能力越强;但它无法表征出过滤器在系 统中的真实净化能力(受多种因素影响)
国际通用的过滤精度表示方法
x = 75 的X值


©All rights reserved by Bosch Rexroth AG, even and especially in cases of proprietary rights applications. We also retain sole power of disposal, including all rights relating to copying, transmission and dissemination.
38
DCCN/SVH-001-PR-F15
Edition: 1 2009-12-10
©All rights reserved by Bosch Rexroth AG, even and especially in cases of proprietary rights applications.
We also retain sole power of disposal, including all rights relating to copying, transmission and dissemination
39

DCCN/SVH-001-PR-F15
Edition: 1 2009-12-10
| 平均过滤比 | 2 | 10 | 75 | 100 | 200 | 1000 |
| 颗粒尺寸 | – | 7.80 | 13.7 | 14.6 | 15.9 | 18.7 |
油液的清洁度 ≠诉 过滤器精度
两者没有一一对应的关系
©All rights reserved by Bosch Rexroth AG, even and especially in cases of proprietary rights applications. 40
We also retain sole power of disposal, including all rights relating to copying, transmission and dissemination.
DCCN/SVH-001-PR-F15
Edition: 1 2009-12-10
进出口的压力差,是油液黏度、流量、 孔径、孔形状、过滤面积的函数
©All rights reserved by Bosch Rexroth AG, even and especially in cases of proprietary rights applications.
We also retain sole power of disposal, including all rights relating to copying, transmission and dissemination.
41
DCCN/SVH-001-PR-F15
Edition: 1 2009-12-10
过滤器的滤芯不可以清洗,只
能更换
©All rights reserved by Bosch Rexroth AG, even and especially in cases of proprietary rights applications. 42
We also retain sole power of disposal, including all rights relating to copying, transmission and dissemination.
DCCN/SVH-001-PR-F15
Edition: 1 2009-12-10
安装前所有管路进行清洗;
油箱内一般不要涂油漆,安装前仔细去除焊渣,用面沾,最好采用不锈钢油箱;
换油时要彻底清洗油箱和管路,加油时采用过滤精度10um的滤油机加注;
吸油管、泄油管、回油管要正确安装(方法参考前面);必要时可在系统的高处 设置放气阀;
保证油箱温升不超过液压油规定,一般不得超过70度(超过80度后,每增加10 度,元件损坏的速度呈指数级增加);
及时更换不良密封(防止系统进气),及时更换水冷却器等(防止系统进水);

©All rights reserved by Bosch Rexroth AG, even and especially in cases of proprietary rights applications. 43
We also retain sole power of disposal, including all rights relating to copying, transmission and dissemination.
DCCN/SVH-001-PR-F15
Edition: 1 2009-12-10
a〉
b〉
c〉
d〉
油液不足;吸油不畅
磨损严重,内泄过大;
系统排气不彻底;
连轴器安装不合适;

泵工作无压力或流量异常
a〉电气故障(电磁阀未能送上电) b〉补油压力异常(补油溢流阀卡滞,补油泵磨损) c〉磨损,内泄过大; d〉切断压力设定不合适(或切断阀芯被异物卡住) e〉马达工作异常造成(马达磨损,冲洗阀异常)
©All rights reserved by Bosch Rexroth AG, even and especially in cases of proprietary rights applications.
We also retain sole power of disposal, including all rights relating to copying, transmission and dissemination.
44
DCCN/SVH-001-PR-F15
Edition: 1 2009-12-10
a〉
b〉
c〉
内泄,泄油管堵塞;
磨损;
溢流阀故障;

©All rights reserved by Bosch Rexroth AG, even and especially in cases of proprietary rights applications. We also retain sole power of disposal, including all rights relating to copying, transmission and dissemination.
45
DCCN/SVH-001-PR-F15
Edition: 1 2009-12-10
a〉油液不足;
b〉磨损严重,内泄过大; c〉超速;
d〉过载,溢流阀溢流; e〉制动响声;
a〉磨损内泄过大; b〉溢流压力设定不合适(或阀芯被异物卡住) c〉泵工作异常造成;
©All rights reserved by Bosch Rexroth AG, even and especially in cases of proprietary rights applications. We also retain sole power of disposal, including all rights relating to copying, transmission and dissemination.

46
DCCN/SVH-001-PR-F15
Edition: 1 2009-12-10
a〉EP阀电器故障;
b〉控制油路堵塞;
c〉变量机构卡滞;
d〉变量活塞密封磨损;
a〉内泄,泄油管堵塞;
b〉磨损;
c〉排量选择不合适,过小;

©All rights reserved by Bosch Rexroth AG, even and especially in cases of proprietary rights applications. We also retain sole power of disposal, including all rights relating to copying, transmission and dissemination.
47
DCCN/SVH-001-PR-F15
Edition: 1 2009-12-10
©All rights reserved by Bosch Rexroth AG, even and especially in cases of proprietary rights applications. We also retain sole power of disposal, including all rights relating to copying, transmission and dissemination.
48
DCCN/SVH-001-PR-F15
Edition: 1 2009-12-10

©All rights reserved by Bosch Rexroth AG, even and especially in cases of proprietary rights applications. 49
We also retain sole power of disposal, including all rights relating to copying, transmission and dissemination.